Телефон: +7(495)286-26-68

Товары в вашей корзине

Товары для запроса цен

МБ75-2,5п

img
img
img
Узнать цену Для просмотра цен, наличия и сроков поставки зарегистрируйтесь на сайте

Основные характеристики

Материал корпуса
Открытая плата покрытая влагозащитным материалом, на радиаторе.
Максимальный ток, А
15
Мощность, Вт
75
Выходное напряжение, В
2,5
Входное напряжение, В
18...72
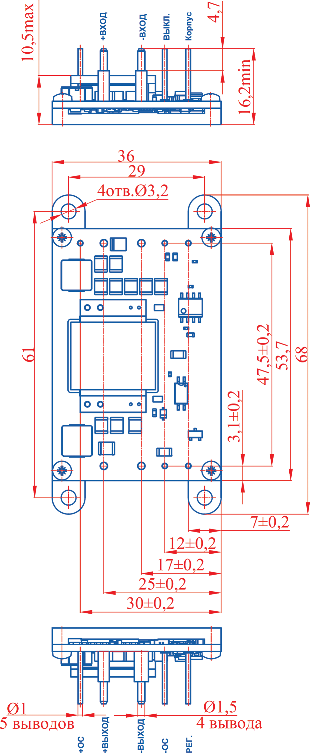
Габариты, мм
68*36*11,5
Все характеристики
Описание
Характеристики
Вопрос-ответ
Отзывы

Высокоточные стабилизированные источники питания категории качества «ОТК» представляют собой надежные и компактные устройства, предназначенные для обеспечения стабильного напряжения в различных электронных системах. Модули выполнены в виде открытых плат с влагозащитным покрытием, установленных на радиаторе для эффективного отвода тепла. Нестабильность выходного напряжения при изменении входного напряжения и нагрузки не превышает ±0,5% и 1% соответственно, что гарантирует высокую стабильность работы. Низкий уровень пульсаций выходного напряжения (не более 100 мВ) обеспечивает высокое качество питающего напряжения. Высокое сопротивление изоляции (не менее 20 МОм) и электрическая прочность 1000 В постоянного напряжения обеспечивают безопасную эксплуатацию устройства. Модули оснащены функциями регулировки выходного напряжения в широком диапазоне, дистанционного выключения, а также защитой от перегрузки по току и короткого замыкания с автоматическим восстановлением работоспособности. Широкий температурный диапазон эксплуатации от -40°C до +70°C при температуре основания не более +100°C позволяет использовать модули в различных климатических условиях. Масса устройства не превышает 36 г, что делает его удобным для интеграции в компактные электронные устройства.

Брэнд
ММП-Ирбис
Материал корпуса
Открытая плата покрытая влагозащитным материалом, на радиаторе.
Максимальный ток, А
15
Мощность, Вт
75
Выходное напряжение, В
2,5
Входное напряжение, В
18...72
Габариты, мм
68*36*11,5
Показать похожие
  1. Описание

    Высокоточные стабилизированные источники питания категории качества «ОТК» представляют собой надежные и компактные устройства, предназначенные для обеспечения стабильного напряжения в различных электронных системах. Модули выполнены в виде открытых плат с влагозащитным покрытием, установленных на радиаторе для эффективного отвода тепла. Нестабильность выходного напряжения при изменении входного напряжения и нагрузки не превышает ±0,5% и 1% соответственно, что гарантирует высокую стабильность работы. Низкий уровень пульсаций выходного напряжения (не более 100 мВ) обеспечивает высокое качество питающего напряжения. Высокое сопротивление изоляции (не менее 20 МОм) и электрическая прочность 1000 В постоянного напряжения обеспечивают безопасную эксплуатацию устройства. Модули оснащены функциями регулировки выходного напряжения в широком диапазоне, дистанционного выключения, а также защитой от перегрузки по току и короткого замыкания с автоматическим восстановлением работоспособности. Широкий температурный диапазон эксплуатации от -40°C до +70°C при температуре основания не более +100°C позволяет использовать модули в различных климатических условиях. Масса устройства не превышает 36 г, что делает его удобным для интеграции в компактные электронные устройства.

  2. Характеристики

    Брэнд
    ММП-Ирбис
    Материал корпуса
    Открытая плата покрытая влагозащитным материалом, на радиаторе.
    Максимальный ток, А
    15
    Мощность, Вт
    75
    Выходное напряжение, В
    2,5
    Входное напряжение, В
    18...72
    Габариты, мм
    68*36*11,5
    Показать похожие
  3. Вопрос-ответ

  4. Отзывы

Просмотренные товары

img
ММП-Ирбис
СМА60В
img
ММП-Ирбис
МБ75-2,5п
img
ММП-Ирбис
МПТ6Н
img
ММП-Ирбис
10205ЕБ
img
Ruichi
0.8A 5kV (6x40)
img
Ruichi
0.7A 5kV (6x40)
img
Ruichi
FDD1.25-250 red
img
Ruichi
Sn40/Pb60 d1.2mm 250g flux
MACOM Technology Solutions
NPTB00025
img
Ruichi
0.1uf 250v 10% CL21